Nominal pressure: 2.8MPa
Test pressure: 4.2MPa
Applicable temperature: -50℃ ~ +120℃
Applicable medium: ammonia, fluorine, propane, etc.
Characteristics
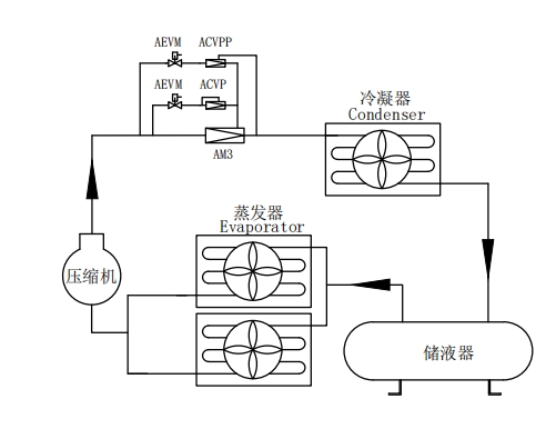
RSALA combined valve: It has a main valve, a constant pressure pilot valve, and a differential pressure pilot valve And two electromagnetic pilot valves. It mainly controls the inlet pressure of the main valve. The pilot valve has two combinations: high pressure type (ACVP-HP) 4-25 bar and differential pressure type (ACVPP) 0-10 bar. RSALA Group The closing valve is mainly used to control the condensation pressure and the pressure difference when the evaporator defrosts with hot gas.
Operation
RSALA combined valve can control the pressure in front of the valve and the pressure difference between the front and rear of the valve, and can achieve a constant pressure valve And differential pressure valve functions, but these two functions can only be used interchangeably. Main valve interface SI is equipped with electromagnetic pilot valve AEVM (NC), and main valve interface SII is equipped with differential pressure pilot valveACVPP, main valve interface P, installed with constant pressure pilot valve ACVP, external interface connected to ACVH valve seat And electromagnetic pilot valve AEVM (NC). 1: Solenoid valve A is closed and solenoid valve B is opened. Differential pressure valve operation 2: Solenoid valve A is opened and solenoid valve B is closed. Constant pressure valve operation.
Applications
The pressure regulating combination valve RAS+RSAL is designed for ammonia and other Freon refrigerants. Used on the hot gas defrosting pipeline of a screw compressor unit, it can achieve a constant pressure function during refrigeration and a differential pressure function during defrostingopen possibility for maximum cooling.



Nominal pressure: 2.8MPa
Test pressure: 4.2MPa
Applicable temperature: -50℃ ~ +120℃
Applicable medium: ammonia, fluorine, propane, etc.
Characteristics
RSALA combined valve: It has a main valve, a constant pressure pilot valve, and a differential pressure pilot valve And two electromagnetic pilot valves. It mainly controls the inlet pressure of the main valve. The pilot valve has two combinations: high pressure type (ACVP-HP) 4-25 bar and differential pressure type (ACVPP) 0-10 bar. RSALA Group The closing valve is mainly used to control the condensation pressure and the pressure difference when the evaporator defrosts with hot gas.
Operation
RSALA combined valve can control the pressure in front of the valve and the pressure difference between the front and rear of the valve, and can achieve a constant pressure valve And differential pressure valve functions, but these two functions can only be used interchangeably. Main valve interface SI is equipped with electromagnetic pilot valve AEVM (NC), and main valve interface SII is equipped with differential pressure pilot valveACVPP, main valve interface P, installed with constant pressure pilot valve ACVP, external interface connected to ACVH valve seat And electromagnetic pilot valve AEVM (NC). 1: Solenoid valve A is closed and solenoid valve B is opened. Differential pressure valve operation 2: Solenoid valve A is opened and solenoid valve B is closed. Constant pressure valve operation.
Applications
The pressure regulating combination valve RAS+RSAL is designed for ammonia and other Freon refrigerants. Used on the hot gas defrosting pipeline of a screw compressor unit, it can achieve a constant pressure function during refrigeration and a differential pressure function during defrostingopen possibility for maximum cooling.


